精小型电动执行器 技术参数
型号Model 最大输出扭矩 动作时间 电机 额定流量 重量 N·M AC DC AC DC AC24V AC110V AC220V AC380V DC24V DC220V Kg ODL-003 30 30 / 8 / / / 0.2 / / / 2.1 ODL-005 50 30 10 10 15 2.2 0.48 0.24 0.15 1.2 0.15 3.4 ODL-008 80 30 10 12 15 2.2 0.48 0.27 0.16 1.2 0.15 3.4 ODL-010 100 30 10 16 25 3 0.64 0.32 0.25 1.6 0.2 4.6 ODL-015 150 30 10 23 25 3.8 0.68 0.35 0.25 1.6 0.2 4.6 ODL-020 200 30 15 40 40 5 0.9 0.48 0.25 2.6 0.3 11 ODL-040 400 30 15 60 60 5 0.9 0.48 0.25 2.6 0.3 11.8 ODL-060 600 30 15 90 70 8.5 2 0.92 0.45 4.5 0.5 12 ODL-100 1000 40 25 130 100 9 2.2 1 0.48 5.0 0.6 12.5 ODL-200 2000 40 25 160 100 9.8 2.6 1.1 0.51 5.0 0.6 12.5 精小型电动执行器 外形及连接尺寸
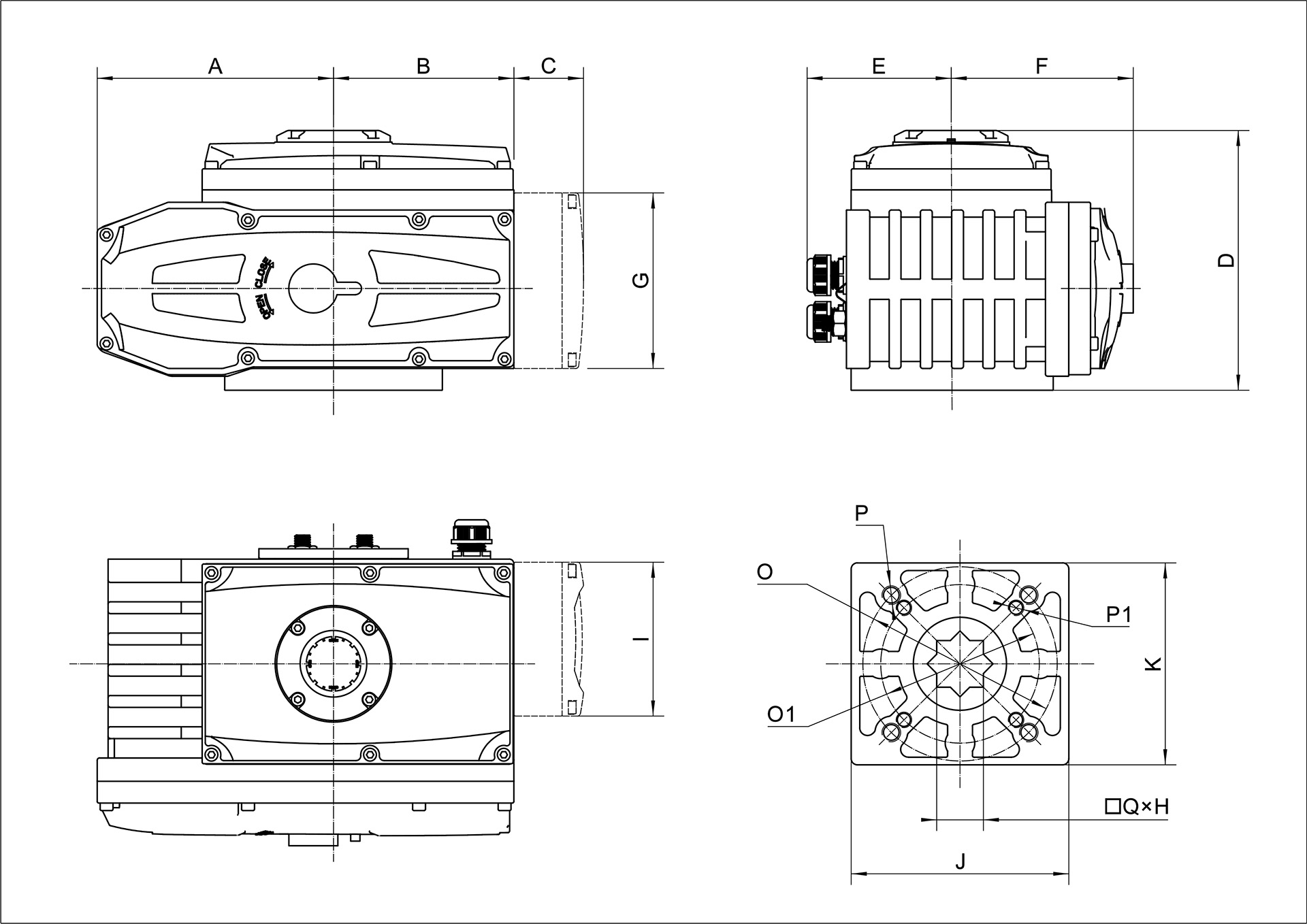
型号Model A B C D E F G I J K O P O1 P1 Q×H深 ODL-003 74 49 45 114 53 65 114 100 50 50 50 4-M6 36 4-M5 11×18 ODL-005 89 72 45 125 57 82 114 100 66 66 70 4-M8 50 4-M6 14×20 ODL-008 89 72 45 125 57 82 114 100 66 66 70 4-M8 50 4-M6 14×20 ODL-010 109 80 45 126 67 82 114 100 100 90 70 4-M8 50 4-M6 17×23 ODL-015 109 80 45 126 67 85 114 100 100 90 70 4-M8 50 4-M6 17×23 ODL-020 152 116 45 167 93 117 114 100 140 130 125 4-M12 102 4-M10 27×43 ODL-040 152 116 45 167 93 117 114 100 140 130 125 4-M12 102 4-M10 27×43 ODL-060 152 116 45 167 93 117 114 100 140 130 125 4-M12 102 4-M10 27×43 ODL-100 152 116 45 167 93 117 114 100 140 130 125 4-M12 102 4-M10 27×43 ODL-200 152 116 45 167 93 117 114 100 140 130 125 4-M12 102 4-M10 27×43 
-





